Точков подов сифон Neptun Chudej

44,98 лв. (23,00 ) брой

Код: Няма Категория: Етикет:

Описание

Инсталационен файл

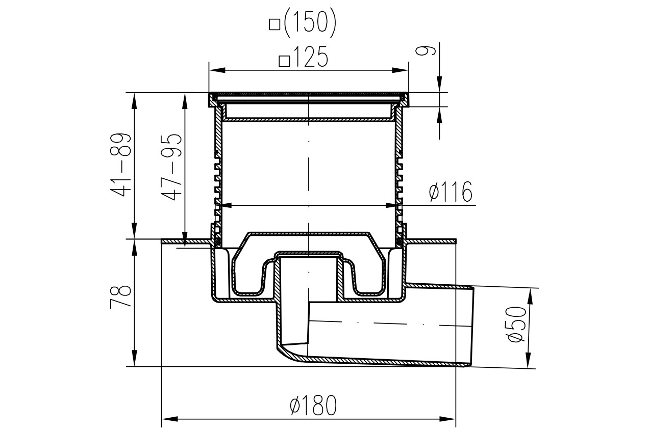
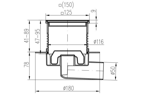
Подов сифон със странично оттичане D50, NEPTUN с  решетка от неръждаема стомана( на квадрати или на линии). Когато нивото на водата спадне, поплавъкът NEPTUN затваря канала и по този начин предотвратява повторното проникване на миризми от канализационната тръба. Изработен от полипропилен, полистирол и неръждаема стомана. Товароносимост K3-300 кг, устойчивост до 70 °C.

    • Точков подов сифон Neptun Chudejn с решетка от неръждаема стомана
    • Решетката е включена в комплекта
    • Цвят сив
    • Дължина 125мм
    • Конструктивна височина 78 мм
    • Оттичане хоризонтално Ø50
    • Дебит 26л/мин
    • Тегло 0,47кг
    • С воден затвор
    • Регулируема височина
    • Клас на натоварване К3
    • Гаранция 2 години

Артикули от този вид:

 

Характеристики

Тип продукт

Мярка

Размер

Цвят

сив

Дизайн

,

Дебит

26 л/мин

Материал

Неръждаема стомана и полипропилен

Гаранция

2 години

Наличност

Произход

Производител

НАГОРЕ
Arrow